




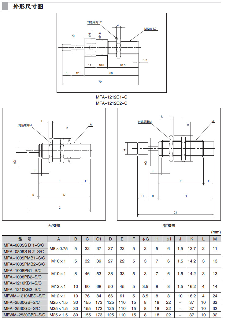
MFA-1005PMB2-S,MFA-1008PB2-S,MFA-1210KB1-S,MFA-1210KB2-S,
MFA-0805SB1-C,MFA-0805SB2-C,MFA-1005PMB1-C,MFA-1005PMB2-C,
MFA-2540LB-C,MFA-2540LD-C,MFA-1008VB-C,MFA-1008VD-C,
MFWM-1008VBD-C,MFA-1210MB-C,MFA-1210MD-C,MFWM-1210MBD-C,MFA-1410RB-C,
MFA-1410RD-C,MFWM-1410RBD-C,CCLAIR,MFA-1612XB-C,MFWM-1612XBD-C,
MFA-2016EB-C,MFA-2016ED-C,MFWM-2016EBD-C,MFA-2530GB-C,MFA-2530GD-C,
MFWM-2530GBD-C,MFA-2725FB-C,MFA-2725FD-C,MFWM-2725FBD-C,MFA-3035TD-C,
MFWM-3035TBD-C,MFA-3650UD-C,MFWM-3650UBD-C,MFA-2016EA-C,MFA-2725FA-C,
MFA-1008VB-S,MFA-1008VD-S,MFWM-1008VBD-S,MFA-1210MB-S,MFA-1210MD-S,
MFWM-1210MBD-S,MFA-1410RB-S,MFA-1410RD-S,MFWM-1410RBD-S,MFA-1612XB-S,
MFA-1612XD-S,MFWM-1612XBD-S,MFA-2016EB-S,MFA-2016ED-S,
MFA-2530GB-S,MFA-2530GD-S,MFWM-2530GBD-S,MFA-2725FB-S,MFA-2725FD-S,
MFWM-2725FBD-S,MFA-3035TD-S,MFWM-3035TBD-S,MFA-3650UD-S,MFWM-3650UBD-S,
MFA-2016EA-S,MFA-2725FA-S,
客服熱線:

