TL-8N(NC)2B,TL-8P(PC)2B,TL-12N(NC)2B,TL-12P(PC)2B,TL電感式接近傳感器
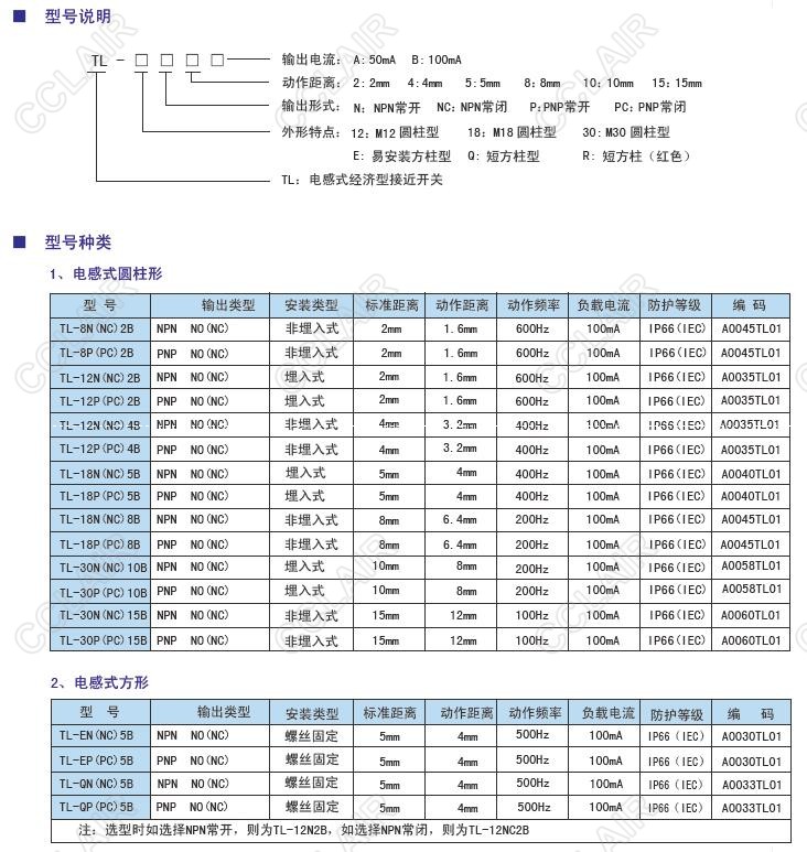
TL-8N(NC)2B,TL-8P(PC)2B,TL-12N(NC)2B,TL-12P(PC)2B,TL-12N(NC)4B,TL-12P(PC)4B,TL-18N(NC)5B,TL-18P(PC)5B,TL-18N(NC)8B,TL-18P(PC)8B,TL-30N(NC)10B,TL-30P(PC)10B,TL-30N(NC)15B,TL-30P(PC)15B,TL-EN(NC)5B,TL-EP(PC)5B,TL-QN(PC)5B,TL-QP(PC)5B


客服熱線:

