


客服熱線:13812199898 13861877712
手指輕氣缸,夾緊氣缸,擺動氣缸,導軌氣缸普通會員
站內搜索
|
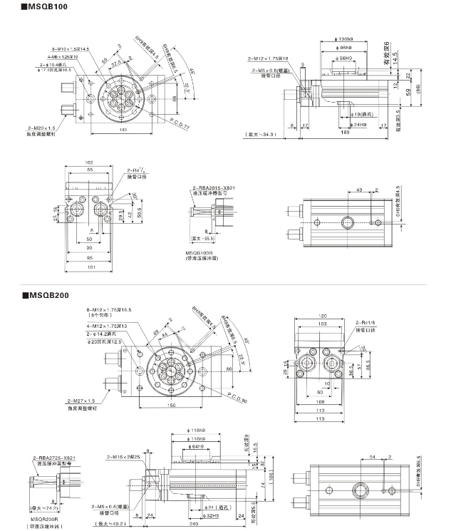
您當前的位置:首頁 » 供應產品 » 擺臺氣缸 MSQA-10A,MSQA-20A,MSQA-30A,MSQA-50A,MSQA-10R,MSQA-20R,MSQA-30R,MSQA-50R, MSQA-10A-S,MSQA-20A-S,MSQA-30A-S,MSQA-50A-S,MSQA-10R-S,MSQA-20R-S,MSQA-30R-S, MSQA-50R-S, MSQA-10L3,MSQA-20L3,MSQA-30L3,MSQA-50L3,MSQA-70L3,MSQA-100L3,MSQA-200L3
擺臺氣缸 MSQA-10A,MSQA-20A,MSQA-30A,MSQA-50A,MSQA-10R,MSQA-20R,MSQA-30R,MSQA-50R, MSQA-10A-S,MSQA-20A-S,MSQA-30A-S,MSQA-50A-S,MSQA-10R-S,MSQA-20R-S,MSQA-30R-S, MSQA-50R-S, MSQA-10L3,MSQA-20L3,MSQA-30L3,MSQA-50L3,MSQA-70L3,MSQA-100L3,MSQA-200L3
詳細信息
共0條 相關評論 |