|
公司基本資料信息
|
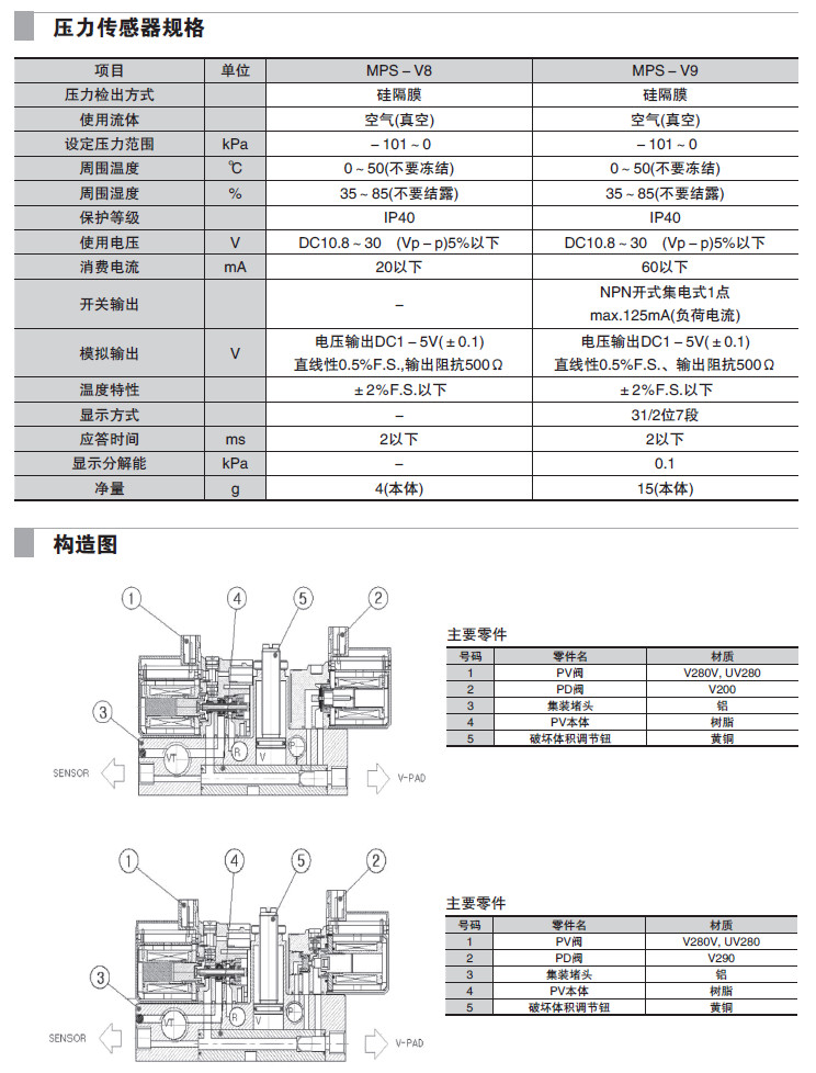
|||||||||||||||
PV101-NC-4-P-Z,PV111-NC-4-P-Z,PV102-NC-4-P-Z,PV112-NC-4-P-Z,小型真空切換閥




PV101-ND-4-P-Z,PV111-ND-4-P-Z,PV102-ND-4-P-Z,PV112-ND-4-P-Z,
PV101-L-4-P-Z,PV111-L-4-P-Z,PV102-L-4-P-Z,PV112-L-4-P-Z,
PV101-NC-4-E-Z,PV111-NC-4-E-Z,PV102-NC-4-E-Z,PV112-NC-4-E-Z,
PV101-ND-4-E-Z,PV111-ND-4-E-Z,PV102-ND-4-E-Z,PV112-ND-4-E-Z,
PV101-L-4-E-Z,PV111-L-4-E-Z,PV102-L-4-E-Z,PV112-L-4-E-Z,