|
公司基本資料信息
|
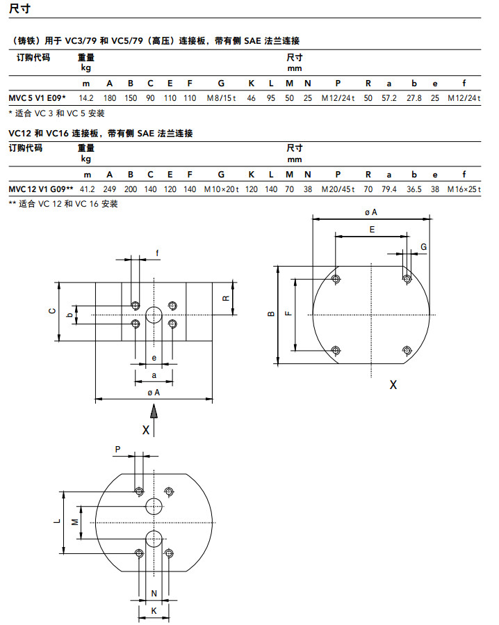
|||||||||||||||||
VC0.025,VC0.04,VC0.1,VC0.2,VC0.4,VC1,VC3,VC5,VC12,VC16,VC0.04F1PS,kracht齒輪流量計











VC0.025F1PS,VC0.1F1PS,VC0.2F1PS,VC0.4F1PS,
VC1F1PS,VC3F1PS,VC5F1PS,VC12F1PS,VC16F1PS,
VC0.025F2PS,VC0.04F2PS,VC0.1F2PS,VC0.2F2PS,VC0.4F2PS,
VC1F2PS,VC3F2PS,VC5F2PS,VC12F2PS,VC16F2PS,
VC0.025F3PS,VC0.04F3PS,VC0.1F3PS,VC0.2F3PS,VC0.4F3PS,
VC1F3PS,VC3F3PS,VC5F3PS,VC12F3PS,VC16F3PS,
VC0.025F4PS,VC0.04F4PS,VC0.1F4PS,VC0.2F4PS,VC0.4F4PS,
VC1F4PS,VC3F4PS,VC5F4PS,VC12F4PS,VC16F4PS,
VC0.025F5PS,VC0.04F5PS,VC0.1F5PS,VC0.2F5PS,VC0.4F5PS,
VC1F5PS,VC3F5PS,VC5F5PS,kracht,VC12F5PS,VC16F5PS,
VC0.025F6PS,VC0.04F6PS,VC0.1F6PS,VC0.2F6PS,VC0.4F6PS,
VC1F6PS,VC3F6PS,VC5F6PS,VC12F6PS,VC16F6PS,
VC0.025F7PS,VC0.04F7PS,VC0.1F7PS,VC0.2F7PS,VC0.4F7PS,
VC1F7PS,VC3F7PS,VC5F7PS,VC12F7PS,VC16F7PS,
VC0.025F8PS,KRACHTS,VC0.04F8PS,VC0.1F8PS,VC0.2F8PS,VC0.4F8PS,
VC1F8PS,VC3F8PS,VC5F8PS,VC12F8PS,VC16F8PS,