|
公司基本資料信息
|
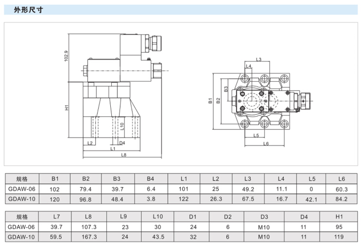
|||||||||||||||





GDAW-06-05,GDAW-06-40,GDAW-06-05-A/D24C/53 隔爆電磁單向閥 GDAW-06-05-A/D24C/53,GDAW-06-40-A/D24C/53, GDAW-06-05-B/D24C/53,GDAW-06-40-B/D24C/53, GDAW-06-05-A/B127C/53,GDAW-06-40-A/B127C/53, GDAW-06-05-B/B127C/53,GDAW-06-40-B/B127C/53, GDAW-06-05-A/B220C/53,GDAW-06-40-A/B220C/53, GDAW-06-05-B/B220C/53,GDAW-06-40-B/B220C/53,