|
公司基本資料信息
|
|||||||||||||||







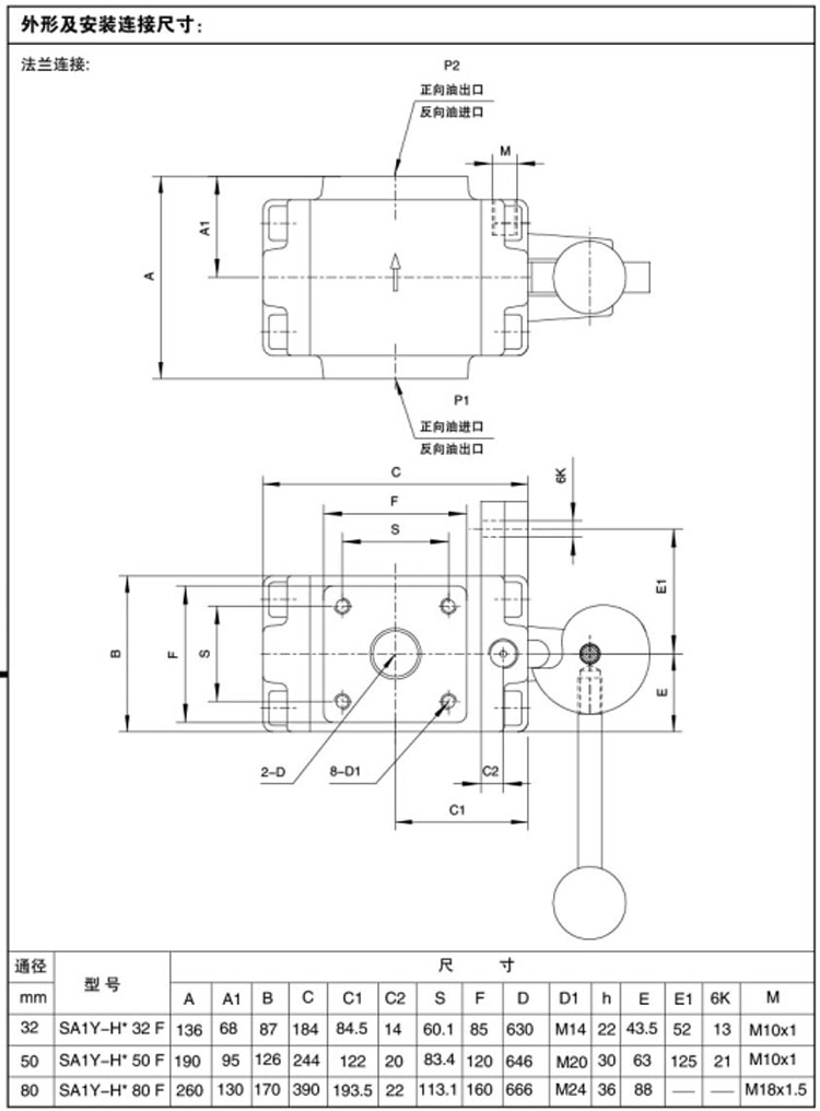
SA1Y-Hb32L,SA1Y-Hb50L,SA1Y-Hb65L,SA1Y-Ha10F,SA1Y-Ha20F,SA1Y-Ha32F,SA1Y-Ha50F,SA1Y-Ha65F,
SA1Y-Hb10F,SA1Y-Hb20F,SA1Y-Hb32F,SA1Y-Hb50F,SA1Y-Hb65F,SA1Y-Ha10B,SA1Y-Ha20B,SA1Y-Ha32B,
SA1Y-Ha50B,SA1Y-Ha65B,SA1Y-Hb10B,SA1Y-Hb20B,SA1Y-Hb32B,SA1Y-Hb50B,SA1Y-Hb65B,SA1Y-Ha80L,
SA1Y-Hb80L,SA1Y-Ha80F,SA1Y-Hb80F,SA1Y-Ha80B,SA1Y-Hb80B,